BVA | BVA HLN 10012 - 650610012

Price:

-0,01 €


Officiële Collomix dealer | Gratis verzending vanaf €75 | onderdelen en service
BVA | BVA HLN 10010 - 650610010
BVA | BVA HLN 10010 - 650610010
-0,01 €
-0,01 €
BVA | BVA HF 0500 - 650800500
BVA | BVA HF 0500 - 650800500
-0,01 €
-0,01 €

BVA | BVA HLN 10012 - 650610012

https://www.bouwmixer.nl/web/image/product.template/186810/image_1920?unique=ce54d90
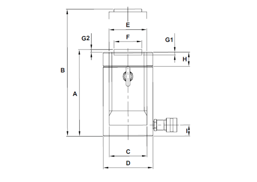
Enkelwerkende hydraulische lock nut cilinder met 100 ton capaciteit en 300 mm slag, werkend op 700 bar. Ideaal voor toepassingen waarbij lasten langdurig en veilig zonder hydraulische druk ondersteund moeten worden.

-0,01 € -0.01 EUR -0,01 € Inclusief BTW

1,00 € Inclusief BTW

Not Available For Sale


  • uitvoering
  • Werkdruk
  • Type
  • Capaciteit
  • Slag

Deze combinatie bestaat niet.


Delen :
 2+1 Jaar garantie
Officiële dealer 
Gratis levering 100 euro 

Over dit product

BVA Hydraulics Lock Nut cilinders werken bij een maximale druk van 10.000 psi (700 bar) . Ze zijn enkelwerkend uitgevoerd en voorzien van een mechanische veiligheidsborgmoer , waardoor lasten zonder hydraulische druk kunnen worden ondersteund en lastterugloop mogelijk is. Een overstroompoort voorkomt dat de cilinder te ver uitschuift . Onderdeel van het machines hydrauliek bva assortiment.

Specificaties

  • Merk: BVA
  • Capaciteit ton: 100 Ton
  • Capaciteit kN: 929 kN
  • Hydraulische slag R mm: 300 mm
  • Min. hoogte mm: 437 mm
  • Max. hoogte: 737 mm
  • Effectief drukoppervlak cm³: 132,7 cm² cm³
  • Koppelingtype: CH38-F
  • Schroefdraad snelkoppeling: 3/8" F - 18NPTF
  • Afmeting A mm: 437 mm
  • Afmeting B mm: 737 mm
  • Categorie: Machines Hydrauliek BVA

Toepassingen

Geschikt voor professioneel gebruik in de machines hydrauliek bva sector. Snel leverbaar in Nederland en België via Cooltools.

uitvoering Lock Nut
Werkdruk 700 bar
Type Enkelwerkend
Capaciteit 100 Ton
Slag 300 mm